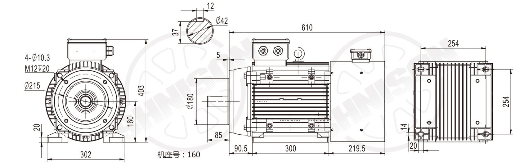
The heavy-duty variable frequency drive 160 frame variable frequency external shaft B34 flange mount motor is a power unit designed for high-load conditions. Designed with the high torque and stability requirements of heavy-duty operation in mind, this motor features optimized structure and electromagnetic systems. It delivers strong, constant torque output under variable frequency drive, maintaining stable driving force even at low frequencies. This makes it particularly suitable for applications requiring heavy-load starting, such as large conveyors, crushers, and heavy-duty pumps.
To ensure the motor's stability during long-term operation, it features a rugged housing and optimized heat dissipation system. The carefully designed heat sink and air ducts effectively reduce motor temperature rise, preventing overheating that could impact performance and life. Even under prolonged, high-load variable frequency operation, this motor maintains reliable operation, providing continuous power support for production processes.
In terms of compatibility and installation, this motor's external-shaft design and B34 flange mounting facilitate efficient connection to various drive systems, enhancing equipment integration flexibility. Its durable structure and stable electrical performance ensure low maintenance requirements, helping businesses reduce downtime and maintenance costs.

English
中文简体
















