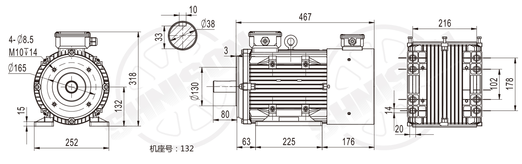
The dynamically stable 132 frame variable frequency external shaft B34 flange mount motor is a power device designed specifically for industrial applications requiring smooth speed regulation. Through optimized electromagnetic design and mechanical structure, this motor effectively reduces harmonic interference and operating vibration generated during variable-frequency speed regulation, resulting in smoother power output. This feature is particularly suitable for applications requiring high stability, such as textile machinery, papermaking equipment, printing presses, and elevators. This motor maintains stable torque output at both low and high speeds, ensuring continuous and safe operation.
In terms of reliability, this motor utilizes a design optimized for variable-frequency drives, effectively resisting electromagnetic interference caused by the inverter and ensuring stable operation in complex electrical environments. Furthermore, key internal components utilize high-temperature-resistant insulation materials and wear-resistant bearings, further enhancing overall service life and operational reliability. Its external-shaft structure, combined with its B34 flange mounting method, allows for efficient connection and removal from the drive system, facilitating flexible application across different equipment.
This motor not only meets the needs of industrial users for smooth speed regulation, but also demonstrates excellent value in terms of energy savings and reduced maintenance costs.

English
中文简体
















