The light-load start 90 frame single-phase external-shaft B34 flange mount motor is designed for light-load applications. It delivers instant torque at startup, ensuring smooth operation. Its optimized starting characteristics effectively reduce delay and jitter, making it particularly suitable for equipment requiring fast response times.
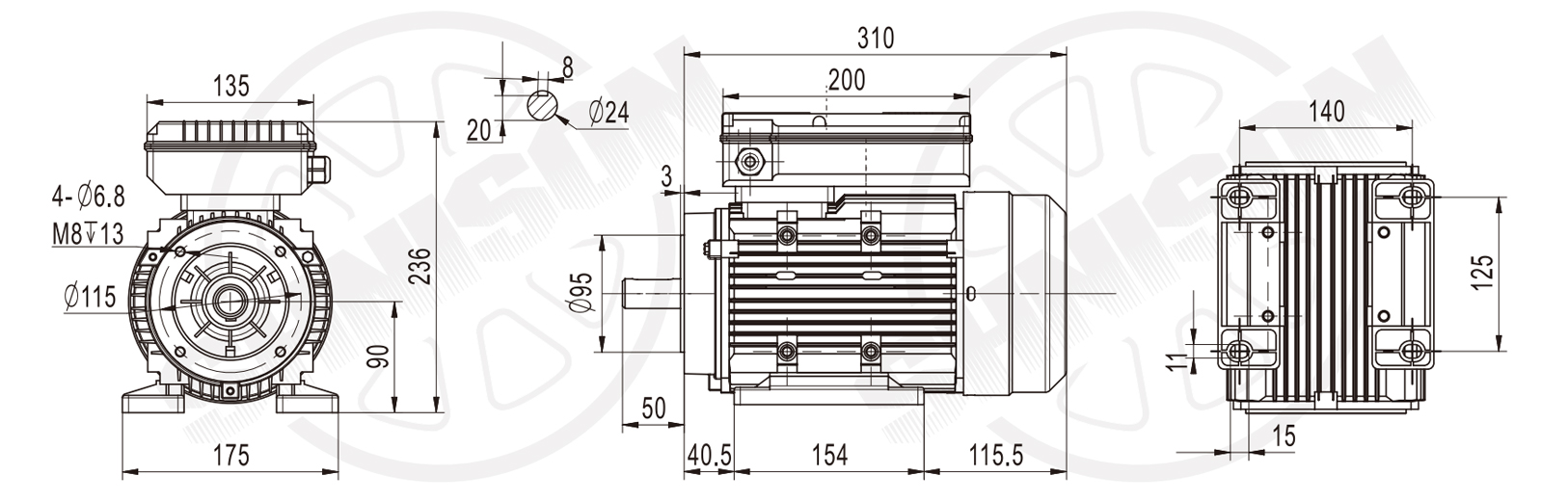
The motor's compact design occupies a small footprint, making it easily adaptable to space-constrained installation environments. Its external-shaft design combined with the B34 flange mounting method ensures a secure connection between the motor and drive components, reducing the risk of loosening due to vibration or prolonged operation. This mounting method not only improves reliability but also facilitates user adaptation and replacement across different machine platforms.
In addition to focusing on starting performance, this motor also offers advantages in durability. Its robust construction and carefully selected internal components ensure it withstands frequent start-stop operations without wear. This design reduces the risk of failure during operation, thereby reducing maintenance workload and downtime, ensuring continuous production.

English
中文简体














