The high-efficiency ratio 112 frame single-phase external shaft B34 flange mount motor is designed with energy conservation and practicality in mind. Its optimized electromagnetic structure effectively reduces energy loss during operation, maximizing power utilization. This not only helps companies reduce long-term operating costs but also meets current industrial requirements for energy conservation and sustainable development, offering users a balanced choice between cost-effectiveness and environmental performance.
This motor also offers outstanding operational advantages. Through meticulous design of its internal structure and components, it maintains low noise and vibration levels during operation. Its quiet and smooth operation creates a comfortable working environment and is particularly suitable for noise-sensitive applications such as medical equipment, precision instruments, laboratory equipment, and office automation systems. This quiet operation not only enhances the operating experience but also prevents interference from excessive noise.
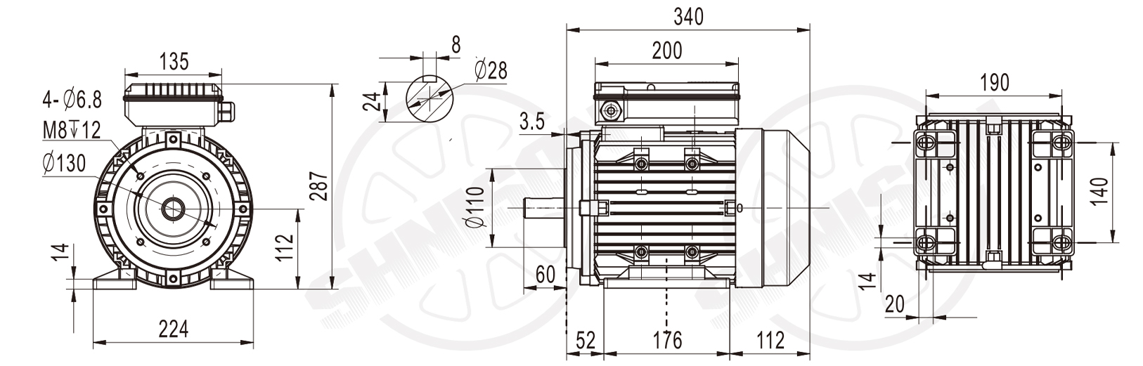
In terms of structural design, this motor features a durable housing and external shaft, combined with a B34 flange mounting method, ensuring a stable connection between the motor and other mechanical components. The external shaft structure improves its adaptability to a variety of equipment, making the installation process more convenient and reducing the difficulty of subsequent maintenance.

English
中文简体















