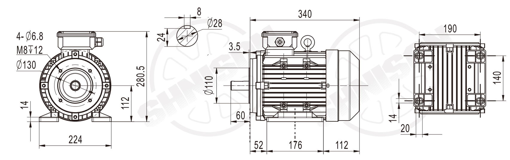
The precision transmission 112 frame three-phase external shaft B34 flange mount motor is a power device designed for high-precision applications. Its core advantage lies in stable and precise transmission performance. Utilizing high-precision manufacturing processes and optimized electromagnetic design, the motor effectively reduces vibration and noise during operation, thereby minimizing impact on connected components. This characteristic not only enhances transmission stability but also extends the service life of the precision equipment and the entire system it supports.
This motor also offers advantages in energy efficiency. Through rational structural optimization, it provides stable power output while minimizing energy loss, helping companies lower operating costs and meeting modern industrial demands for energy conservation and environmental protection. The external-shaft design enables the motor to be tightly integrated with high-precision transmission systems such as precision reducers, forming an efficient and reliable power transmission unit, providing greater consistency and controllability for equipment operation. This motor is widely used in applications requiring high-precision transmission, such as automated assembly lines, CNC machine tools, robotics, and precision instruments.

English
中文简体
















