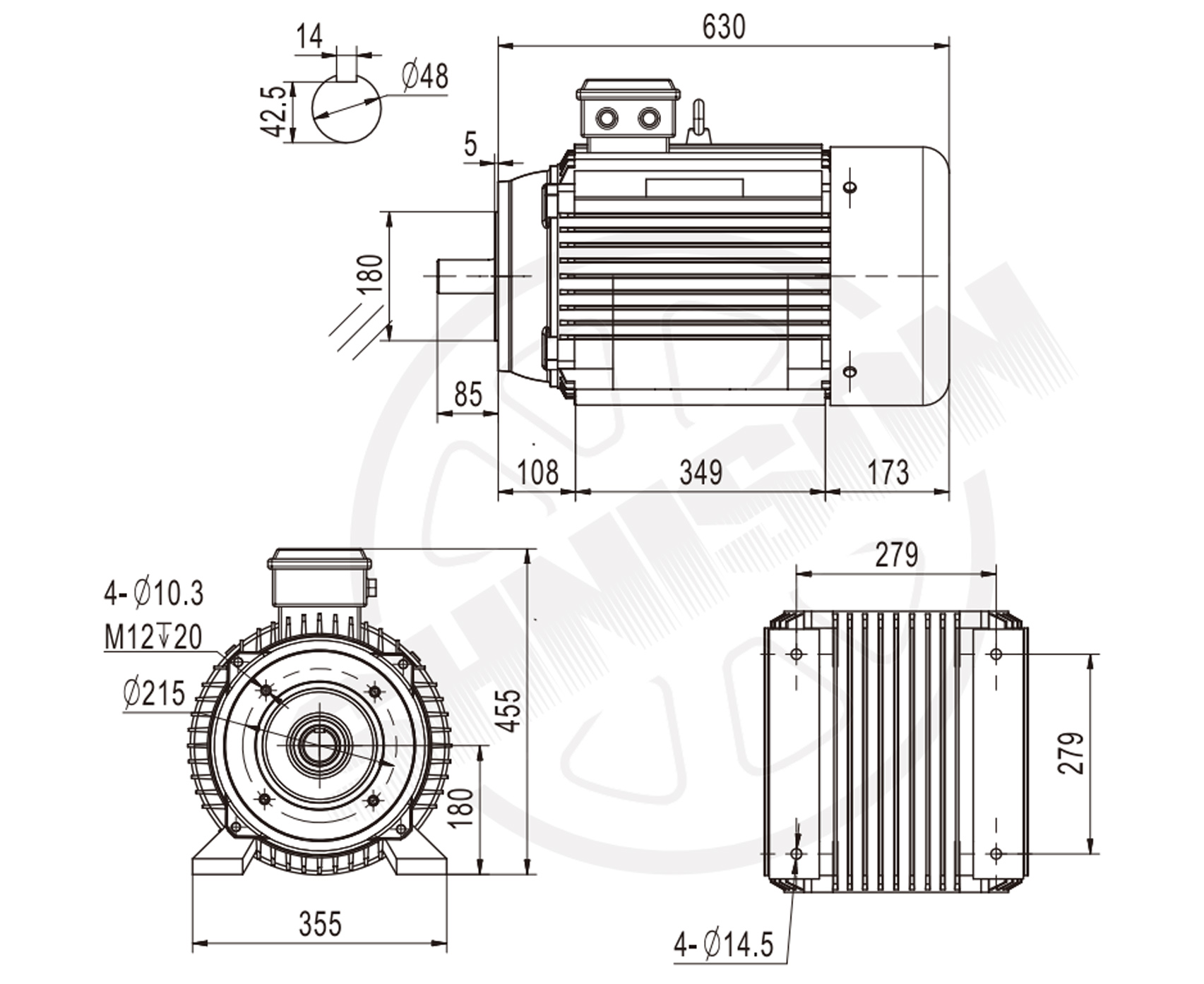
The efficient cooling 180 frame three-phase external-shaft B34 flange mount motor is designed for industrial power equipment operating under long-term, high-power conditions. Its cooling system features extensive optimizations. By increasing the heat sink contact area and integrating a strategic air duct layout, the motor effectively reduces temperature rise during continuous operation. This design not only ensures efficient operation in high-load environments but also reduces insulation aging and bearing wear caused by overheating, thereby extending its overall service life.
This motor utilizes an optimized electromagnetic structure to maintain stable power output under varying load conditions, meeting diverse industrial application requirements. The external-shaft design allows for more direct connection to various heavy-duty transmission systems, reducing installation and subsequent adjustments, and improving overall operating efficiency. Furthermore, this structural design facilitates quick assembly and disassembly during maintenance, minimizing downtime and time costs.

English
中文简体
















